Description GASKET, OIL PAN HOLE COVER (NOT AVAILABLE)
Serial Range 1000001 - 9999999
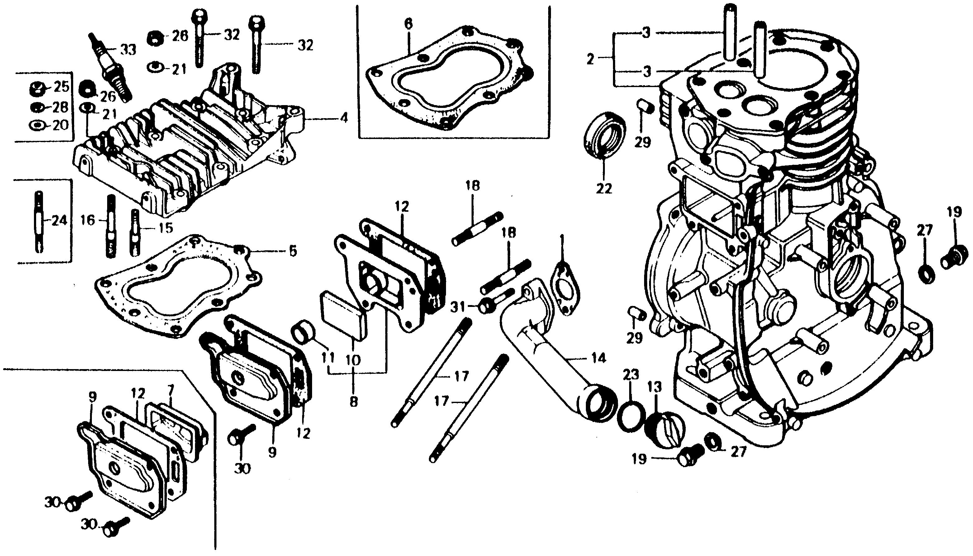
Ref No 2
Part Number 12100-889-335
Description CYLINDER (CRANKSHAFT P.T.O.)
Serial Range 1000001 - 9999999
Ref No 2
Part Number 12100-889-345
Description CYLINDER
Serial Range 1103203 - 9999999
Qty
Price $816.76
Ref No 3
Part Number 12134-889-305
Description GUIDE, VALVE
Serial Range 1103203 - 9999999
Qty
Price $15.73
Ref No 4
Part Number 12221-889-305
Description CYLINDER HEAD
Serial Range 1000001 - 1109701
Ref No 4
Part Number 12221-889-315
Description CYLINDER HEAD (NOT AVAILABLE)
Serial Range 1109702 - 9999999
Ref No 5
Part Number 12281-889-315
Description GASKET, CYLINDER HEAD
Serial Range 1109702 - 9999999
Qty
Price $43.35
Ref No 5
Part Number 12281-889-315
Description GASKET, CYLINDER HEAD
Serial Range 1103183 - 9999999
Qty
Price $43.35
Ref No 6
Part Number 12281-889-315
Description GASKET, CYLINDER HEAD
Serial Range 1109702 - 9999999
Qty
Price $43.35
Ref No 6
Part Number 12281-889-315
Description GASKET, CYLINDER HEAD
Serial Range 1103183 - 9999999
Qty
Price $43.35
Ref No 7
Part Number 12360-889-010
Description CASE, BREATHER
Serial Range 1000001 - 1136497
Ref No 7
Part Number 12360-889-010
Description CASE, BREATHER
Serial Range 1136498 - 9999999
Ref No 8
Part Number 12360-889-010
Description CASE, BREATHER
Serial Range 1000001 - 1136497
Ref No 8
Part Number 12360-889-010
Description CASE, BREATHER
Serial Range 1136498 - 9999999
Ref No 9
Part Number 12361-889-000
Description COVER, TAPPET ROOM
Serial Range 1136498 - 9999999
Qty
Price $14.43
Ref No 10
Part Number 12367-883-003
Description FILTER, BREATHER
Serial Range 1136498 - 9999999
Qty
Price $4.90
Ref No 11
Part Number 12369-883-000
Description SEAL, BREATHER
Serial Range 1136498 - 9999999
Qty
Price $5.80
Ref No 12
Part Number 12375-889-000
Description GASKET, TAPPET COVER (NOT AVAILABLE)
Serial Range 1000001 - 1136497
Ref No 13
Part Number 15611-921-000
Description CAP, OIL (YELLOW)
Serial Range 1136498 - 9999999
Qty
Price $17.52
Ref No 14
Part Number 15632-890-000
Description PIPE, OIL
Serial Range 1000001 - 1102490
Ref No 14
Part Number 15632-890-010
Description PIPE, OIL (NOT AVAILABLE)
Serial Range 1102491 - 9999999
Ref No 15
Part Number 90032-889-000
Description BOLT, STUD (M8XM10X63)
Serial Range 1103183 - 9999999
Qty
Price $10.98
Ref No 16
Part Number 90033-889-000
Description BOLT, STUD (M8XM10X81)
Serial Range 1103183 - 9999999
Qty
Price $13.30
Ref No 17
Part Number 90042-890-010
Description BOLT, STUD (8X110)
Serial Range 1000001 - 1106022
Qty
Price $11.14
Ref No 17
Part Number 90042-890-680
Description BOLT, STUD (8X104)
Serial Range 1106023 - 9999999
Qty
Price $11.59
Ref No 18
Part Number 90047-883-000
Description BOLT, STUD (8X35)
Serial Range 1106023 - 9999999
Qty
Price $6.80
Ref No 19
Part Number 90131-896-650
Description BOLT, DRAIN PLUG (12X15)
Serial Range 1106023 - 9999999
Ref No 20
Part Number 90402-822-000
Description WASHER, HEAD (8MM)
Serial Range 1000001 - 1103182
Qty
Price $2.44
Ref No 21
Part Number 90430-657-000
Description WASHER (23X8.3X3.2)
Serial Range 1103183 - 9999999
Qty
Price $11.98
Ref No 22
Part Number 91201-Z0T-801
Description OIL SEAL (25X41X6) (NOK)
Serial Range 1103183 - 9999999
Ref No 22
Part Number 91202-883-005
Description OIL SEAL (25X41X6)
Serial Range 1103183 - 9999999
Ref No 23
Part Number 91301-805-000
Description O-RING (26X2.7)
Serial Range 1000001 - 9999999
Qty
Price $6.80
Ref No 24
Part Number 92700-08065-3B
Description BOLT, STUD (8X65)
Serial Range 1003332 - 1007176
Ref No 24
Part Number 92700-08080-3B
Description BOLT, STUD (8X80) (NOT AVAILABLE)
Serial Range 1000001 - 1003331
Ref No 25
Part Number 94050-08080
Description NUT, FLANGE (8MM)
Serial Range 1003332 - 1103182
Qty
Price $1.65
Ref No 26
Part Number 94071-08080
Description NUT-WASHER (8MM)
Serial Range 1103183 - 9999999
Qty
Price $2.49
Ref No 27
Part Number 94109-12000
Description WASHER, DRAIN PLUG (12MM)
Serial Range 1103183 - 9999999
Qty
Price $2.10
Ref No 28
Part Number 94111-08000
Description WASHER, SPRING (8MM)
Serial Range 1000001 - 1103182
Qty
Price $1.68
Ref No 29
Part Number 94301-08140
Description PIN, DOWEL (8X14)
Serial Range 1103183 - 9999999
Qty
Price $3.84
Ref No 30
Part Number 95701-06012-08
Description BOLT, FLANGE (6X12)
Serial Range 1103183 - 9999999
Qty
Price $2.86
Ref No 31
Part Number 95700-06025-08
Description BOLT, FLANGE (6X25)
Serial Range 1000001 - 9999999
Qty
Price $3.08
Ref No 31
Part Number 95701-06025-08
Description BOLT, FLANGE (6X25)
Serial Range 1000001 - 9999999
Qty
Price $3.08
Ref No 32
Part Number 95730-08050-08
Description BOLT, FLANGE (8X50) (NOT AVAILABLE)
Serial Range 1000001 - 1103182
Ref No 33
Part Number 98076-54716
Description SPARK PLUG (BR-4HS) (NGK)
Serial Range 1103183 - 9999999
Qty
Price $4.17
Ref No 33
Part Number 98076-54757
Description SPARK PLUG (W14FR-U)
Serial Range 1103183 - 9999999
Qty
Price $4.28
Item added to your cart
California Prop 65 Information
Internal Combustion Engine Products:
WARNING:
This product can expose you to chemicals including soots, tars, and mineral oils, which are known to the State of California to cause cancer,
and carbon monoxide, which is known to the State of California to cause birth defects or other reproductive harm. For more information go to
www.P65Warnings.ca.gov.
Miimo Robotic Mower
WARNING:
This product can expose you to chemicals including lead and lead compounds, which are known to the State of California to cause cancer and birth defects or other reproductive harm.
For more information go to
www.P65Warnings.ca.gov.